【 微信扫码咨询 】
日本KURASHIKI KAKO原装进口仓敷化工弹簧型号:KR200-28
苏州上野机电设备有限公司销售电话:178-9504-6997 刘经理 微信同号

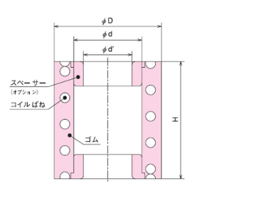
组合橡胶和螺旋弹簧的复合弹簧。
橡胶弹簧是由橡胶和螺旋弹簧组合而成的复合弹簧,与一般的防振橡胶相比,具有柔软的弹簧常数。空气弹簧和防振橡胶的中间特性可以很容易地结合到振动机械。
性能及特点:
●优异的防振性能。
通过组合橡胶和螺旋弹簧的圆柱形复合弹簧的结构可以获得柔软的弹簧,并且弯曲较大。
能拿到。
●大的承重性。
由于金属弹簧和特殊合成橡胶的复合弹簧,可以获得高负载的负载性能,而不会弯曲。
●衰减效果很大。
使用具有高损耗系数的特殊合成橡胶,具有很好的降低共振振幅的效果。
●隔音缓冲效果优良。
当单独使用金属弹簧时,没有出现波动现象,没有噪音的产生。另外,特殊结构的冲击吸收性能也很好。
●具有优异的耐久性和耐化学性。
由于它是通过先进的形状设计技术和配方技术完成的,所以使用过程中的机械劣化和。
在氧气、臭氧、药品等方面的化学劣化也非常出色。
●很容易安装。
在橡胶弹簧内径面放置导销,放置机器即可安装。如果内径太大,请使用垫圈。另行办理。

使用说明:
。带垫圈时,请将垫圈安装成不用导轨推入。
2.。安装用导向件的前端部呈锥状,在端部安装R。
3.。在振动频率为20 Hz以上或振幅为14 mm以上的情况下,采用发热少的天然橡胶的材质。
有必要,请指示。
4.。气氛温度应为-10℃至50℃。
5.。外形膨胀在正常使用时为外径的5%左右。

苏州上野机电设备有限公司销售型号:
KR54-35
KR65-80
KR70-40
KR70-65
KR85-90
KR85-100
KR85-125
KR90-100
KR90-125
KR90-150
KR120-60
KR120-90
KR133-100
KR133-125
KR133-150
KR155-150
KR155-200
KR155-250-155H
KR155-300-155H
KR155-360-155H
KR170-450
KR200-200
KR200-240
KR200-285
KR240-300
KR240-400