全国服务热线: 0512-6605 1469
首页产品资讯
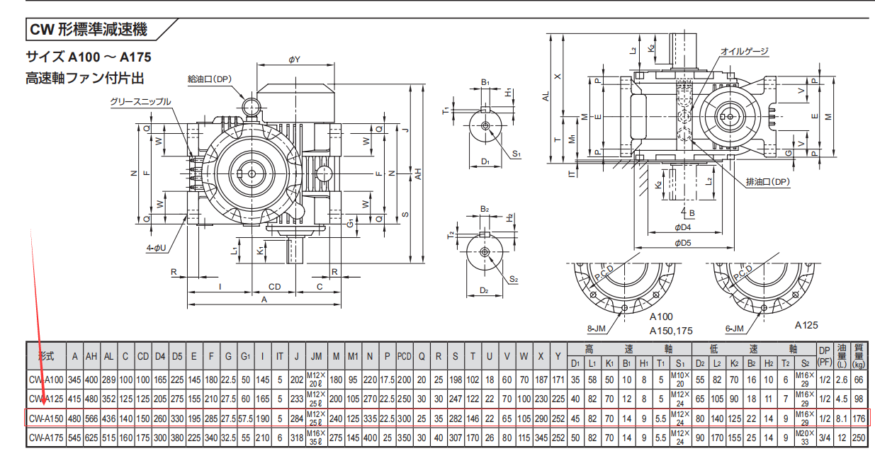
减速机日本HEDCON CW-A150BN-RD-C611-60含电机
发布时间:2021-08-29 18:05:01 点击次数:500

减速速机 HEDCON  CW-A150BN-RD-C611-60含电机,功率0.75KW,转速1500r/min 1 台 


减速机 HEDCON    CW-A150BN-LD-C611-60含电机,功率0.75KW,转速1500r/min 1 台 



HEDCON® Worm Gear Reducer

输出轴右边:


image.png


CHB-A150KN-RD-C611-660HEDCON® Worm Gear Reducer.png



  • 热线电话:0512-8781 4269 分机号:802
  • :1789-5046-997 1889-6984-864
  • :0512-6605 1469
  • :0512-6605 1489
  • 联系人:刘工
  • :2461896109@qq.com
  • :www.mekasys.cn
  • :苏州市吴中区南湖路71号天贸大厦509室
  • 微信二维码 微信二维码
  • 官网二维码 官网二维码

版权归苏州上野机电设备有限公司所有苏ICP备16035515号 技术支持:易动力网络