【 微信扫码咨询 】

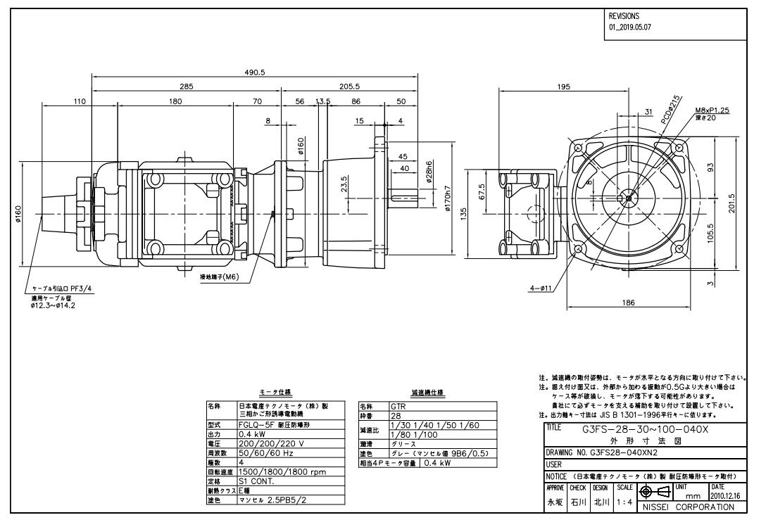
日本日精减速机型号G3FS-28-30-040专用于搭配防爆电机,法兰安装方式
苏州上野公司主营日本机械,联 系人-张-涛- 手- 机1-8-8-9698-4864。
苏州上野公司张涛批发销售日本日精减速机型号G3FS-28-30-040专用于搭配防爆电机,法兰安装方式。这个型号属于GTR减速电机S型减速机(0.1kW-2.2kW)平行轴系列。日精减速机 是株式会社日精NISSEI CORPORATION.下的主要产品,包括中小功率减速机和伺服电机用减速机。株式会社日精成立于1942年,是日本知名的综合传动产品制造商之一,为日本公众上市公司。
苏州上野机电设备有限公司是一家日本进口机械供应商。主要经营日本日精减速机以及转向器等,我们还与其他厂商建立了良好的代理协作关系,为顾客提供种类繁多价格可靠的众多产品。我司以正品有保证让大家买的放心,服务有专业水平让大家买的省心,态度有亲切感让大家买的开心。
苏州上野公司张涛批发销售的型号:
日本日精减速机型号G3FS-28-30-040专用于搭配防爆电机,法兰安装方式。
日本三菱防爆电机型号:XE-NEV-0.4KW-4P-200V/50HZ-防爆等级d2G4
日本日精减速机型号G3LS-32-50-075专用于搭配防爆电机
日本三菱防爆电机型号:XE-NEF-0.75KW-4P-200V/50HZ-防爆等级d2G4
日本日精减速机型号型号:G3LS-40-100-150
日本日精S型减速头型号:G3LS-50-1200-040
日本日精S型减速头型号:G3LS-50-900-040
用于搭配日本三菱防爆电机型号:XF-NE-0.75KW-6P-200V/50HZ-转速750rpm
日本日精减速机型号:G3LS-28-40-040XN2(含日本防爆电机0.4KW)
苏州上野公司张涛批发销售的型号:
G3FS-22-100-020
G3FS-22-120-010
G3FS-22-160-010
G3FS-22-200-010
G3FS-28-5-075
G3FS-28-10-075
G3FS-28-15-075
G3FS-28-20-075
G3FS-28-25-075
G3FS-28-30-040
G3FS-28-40-040
G3FS-28-50-040
G3FS-28-60-040
G3FS-28-80-040
G3FS-28-100-020
G3FS-28-100-040
G3FS-28-120-020
G3FS-28-160-020
G3FS-28-200-020
G3FS-28-300-010
G3FS-28-375-010
G3FS-28-450-010
G3FS-32-5-150
G3FS-32-10-150
G3FS-32-15-150
G3FS-32-20-150
G3FS-32-25-150
苏州上野公司张涛批发销售的型号:
G3FS-32-30-075
G3FS-32-40-075
G3FS-32-50-075
G3FS-32-60-075
G3FS-32-80-075
G3FS-32-100-040
G3FS-32-100-075
G3LS-40-15-220
G3LS-40-20-220
G3LS-40-25-220
G3LS-40-30-150
G3LS-40-40-150
G3LS-40-50-150
G3LS-40-60-150
G3LS-40-80-150
G3LS-40-100-075
G3LS-40-100-150
G3LS-40-1200-020
G3LS-40-120-075
G3LS-40-160-075
G3LS-40-200-075
G3LS-40-300-040
G3LS-40-375-040
G3LS-40-450-040
G3LS-40-600-020
G3LS-40-750-020
苏州上野公司张涛批发销售的型号:
G3LS-40-900-020
G3LS-50-30-220
G3LS-50-40-220
G3LS-50-50-220
G3LS-50-60-220
G3LS-50-80-220
G3LS-50-100-150
G3LS-50-100-220
G3LS-50-1200-040
G3LS-50-120-150
G3LS-50-160-150
G3LS-50-200-150
G3LS-50-300-075
G3LS-50-375-075
G3LS-50-450-075
G3LS-50-600-040
G3FS-28-30-040XS2
G3FS-28-30-040XS3
G3FS-28-30-040XS1
G3FS-28-30-040
苏州上野公司张涛批发销售的型号:
G3FS-28-30-040XN2
G3FS-28-30-040XN3
G3FS-28-30-040XN1
G3LS-50-750-040
G3LS-50-900-040
苏州上野公司张涛批发销售的型号:
G3FS-18-5-010
G3FS-18-5-020
G3FS-18-10-010
G3FS-18-10-020
G3FS-18-15-010
G3FS-18-15-020
G3FS-18-20-010
G3FS-18-20-020
G3FS-18-25-010
G3FS-18-25-020
G3FS-18-30-010
G3LS-32-50-075XS2
G3LS-32-50-075XS3
G3LS-32-50-075XS1
G3LS-18-50-010
G3LS-22-5-040
G3LS-22-10-040
G3LS-22-15-040
G3LS-22-20-040
G3LS-22-25-040
苏州上野公司张涛批发销售的型号:
G3LS-22-30-020
G3LS-22-40-020
G3LS-22-50-020
G3LS-22-60-010
G3LS-22-60-020
G3LS-22-80-010
G3LS-22-80-020
G3LS-22-100-010
G3LS-22-100-020
G3LS-22-120-010
G3LS-22-160-010
G3LS-22-200-010
G3LS-28-5-075
G3LS-28-10-075
G3LS-28-15-075
G3LS-28-20-075
G3LS-28-25-075
G3LS-28-30-040
G3LS-28-40-040
G3LS-28-50-040
G3LS-28-60-040
G3LS-28-80-040
G3LS-28-100-020
G3LS-28-100-040
G3LS-28-120-020
G3LS-28-160-020
苏州上野公司张涛批发销售的型号:
G3LS-28-200-020
G3LS-28-300-010
G3LS-28-375-010
G3LS-28-450-010
G3LS-32-5-150
G3LS-32-10-150
G3LS-32-15-150
G3LS-32-20-150
G3LS-32-25-150
G3LS-32-30-075
G3LS-32-40-075
G3LS-32-50-075
G3LS-32-60-075
G3LS-32-80-075
G3LS-32-100-040
G3LS-32-100-075
G3LS-32-1200-010
G3LS-32-120-040
G3LS-32-160-040
G3LS-32-200-040
G3LS-32-300-020
G3LS-32-375-020
G3KS-22-60-020
G3KS-22-80-010
G3KS-22-80-020
G3KS-22-100-010
G3KS-22-100-020
G3KS-22-120-010
G3KS-22-160-010
G3KS-22-200-010
苏州上野公司张涛批发销售的型号:
G3KS-28-5-075
G3KS-28-10-075
G3KS-28-15-075
G3KS-28-20-075
G3KS-28-25-075
G3KS-28-30-040
G3KS-28-40-040
G3KS-28-50-040
G3KS-28-60-040
G3KS-28-80-040
G3KS-28-100-020
G3KS-28-100-040
G3KS-28-120-020
G3KS-28-160-020
G3KS-28-200-020
G3KS-28-300-010
G3KS-28-375-010
G3KS-28-450-010
G3KS-32-5-150
G3KS-32-10-150
G3KS-32-15-150
G3KS-32-20-150
G3KS-32-25-150
G3KS-32-30-075
G3KS-32-40-075
G3KS-32-50-075
G3KS-32-60-075
苏州上野公司张涛批发销售的型号:
G3KS-32-80-075
G3KS-32-100-040
G3KS-32-100-075
G3KS-32-1200-010
G3KS-32-120-040
G3KS-32-160-040
G3KS-32-200-040
G3KS-32-300-020
G3KS-32-375-020
G3KS-32-450-020
G3KS-32-600-010
G3KS-32-750-010
G3KS-32-900-010
G3LS-18-5-010
G3LS-18-5-020
G3LS-18-10-010
G3LS-18-10-020
G3LS-18-15-010
G3LS-18-15-020
G3LS-18-20-010
G3FS-32-1200-010
G3FS-32-120-040
G3FS-32-160-040
G3FS-32-200-040
G3FS-32-300-020
G3FS-32-375-020
苏州上野公司张涛批发销售的型号:
G3FS-32-450-020
G3FS-32-600-010
G3FS-32-750-010
G3FS-32-900-010
G3FS-40-30-150
G3FS-40-40-150
G3FS-40-50-150
G3FS-40-60-150
G3FS-40-80-150
G3FS-40-100-075
G3FS-40-100-150
G3FS-40-1200-020
G3FS-40-120-075
G3FS-40-160-075
G3FS-40-200-075
G3FS-40-300-040
G3FS-40-375-040
G3FS-40-450-040
G3FS-40-600-020
G3FS-40-750-020
G3FS-40-900-020
G3FS-50-100-150
G3FS-50-1200-040
G3FS-50-120-150
苏州上野公司张涛批发销售的型号:
G3FS-50-160-150
G3FS-50-200-150
G3FS-50-300-075
G3FS-50-375-075
G3FS-50-450-075
G3FS-50-600-040
G3FS-50-750-040
G3FS-50-900-040
G3KS-18-5-010
G3KS-18-5-020
G3KS-18-10-010
G3KS-18-10-020
G3KS-18-15-010
G3KS-18-15-020
G3KS-18-20-010
G3KS-18-20-020
G3KS-18-25-010
G3KS-18-25-020
G3KS-18-30-010
G3KS-18-40-010
G3KS-18-50-010
G3KS-22-5-040
G3KS-22-10-040
G3KS-22-15-040
G3KS-22-20-040
G3KS-22-25-040
G3KS-22-30-020
G3KS-22-40-020
G3KS-22-50-020
G3KS-22-60-010
G3LS-18-20-020
G3LS-18-25-010
苏州上野公司张涛批发销售的型号:
G3LS-18-25-020
G3LS-18-30-010
G3LS-18-40-010
G3LS-32-450-020
G3LS-32-600-010
G3LS-32-750-010
G3LS-32-900-010
G3LS-40-5-220
G3LS-40-10-220
G3LS-32-50-075
G3LS-32-50-075XN2
G3LS-32-50-075XN3
G3LS-32-50-075XN1
G3FS-18-40-010
G3FS-18-50-010
G3FS-22-5-040
G3FS-22-10-040
G3FS-22-15-040
G3FS-22-20-040
G3FS-22-25-040
G3FS-22-30-020
G3FS-22-40-020
G3FS-22-50-020
G3FS-22-60-010
G3FS-22-60-020
G3FS-22-80-010
G3FS-22-80-020
G3FS-22-100-010
来源:苏州上野公司张涛 版权受法律保护,严禁抄袭复制!