【 微信扫码咨询 】
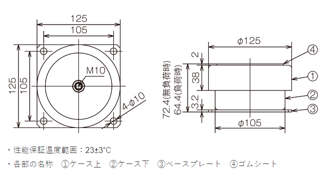
日本除震减振用的KURASHIKI KAKO仓敷化工橡胶弹簧:KSC-100A
苏州上野机电设备有限公司询价咨询电话:17895046997 刘先生 同微信

组合了原始衰减机构和“螺旋弹簧”的混合动力支架
性能和特点
・操作简单
・不需要空气源
・不需要维护
通过水平固有频率和铅直衰减的协同效果提高除振性能
水平方向降低了固有振动频率,进一步提高了除振性能。



苏州上野机电设备有限公司销售型号如下:
KSC-60A
KSC-80A
KSC-100A
KSC-150A
KSC-200A
KSC-250A
KSC-300A
苏州上野机电设备有限公司销售型号如下:
KSC-400B
KSC-500B
KSC-600B
KSC-700B
KSC-800B
KSC-900B
KSC-1000B