全国服务热线: 0512-6605 1469
首页产品资讯
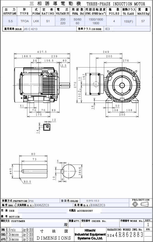
HITACHI日立减速电机型号:TFOA-LKK-5.5KW-4P-200V-50/60HZ
发布时间:2023-04-25 12:47:00 点击次数:1031

HITACHI日立减速电机型号:TFOA-LKK-5.5KW-4P-200V-50/60HZ


苏州上野公司品牌负责人联系电话:17895046997   刘先生   同微信


微信图片_20230423170336.png


品牌日立
种类低圧马达
型式TFOA-LKK
出力5.5KW 
极数4P
电压200V
频率50/60Hz
规格低压通用支脚安装(横)型
其他详情:全閉外扇屋外仕様
枠番:132S
其他厂商相同规格品:SF-PRO,IKH3-FBKAW21E,MLU1133B

image.png

image.png

image.png



  • 热线电话:0512-8781 4269 分机号:802
  • :1789-5046-997 1889-6984-864
  • :0512-6605 1469
  • :0512-6605 1489
  • 联系人:刘工
  • :2461896109@qq.com
  • :www.mekasys.cn
  • :苏州市吴中区南湖路71号天贸大厦509室
  • 微信二维码 微信二维码
  • 官网二维码 官网二维码

版权归苏州上野机电设备有限公司所有苏ICP备16035515号 技术支持:易动力网络