全国服务热线: 0512-6605 1469
首页产品资讯
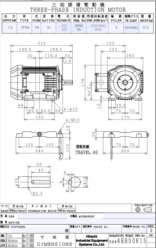
日立减速电机:TFOA-FK-1.5KW-2P-200V-50/60HZ 原装进口
发布时间:2023-05-04 17:16:31 点击次数:1038

微信图片_20230427105847.png



日立减速电机:TFOA-FK-1.5KW-2P-200V-50/60HZ 原装进口


苏州上野品牌负责人联系电话:17895046997   刘先生  同微信


品牌日立
种类低圧
型式TFOA-FK
出力1.5KW  
极数2P
电压200V
50/60Hz
通用脚安装(横)型
其他詳細:全閉外扇屋外仕様 IE1
枠番:90L
其他厂商相同格品
三菱:SF-JRO
東芝:IK-FCKAW21

image.png

image.png




  • 热线电话:0512-8781 4269 分机号:802
  • :1789-5046-997 1889-6984-864
  • :0512-6605 1469
  • :0512-6605 1489
  • 联系人:刘工
  • :2461896109@qq.com
  • :www.mekasys.cn
  • :苏州市吴中区南湖路71号天贸大厦509室
  • 微信二维码 微信二维码
  • 官网二维码 官网二维码

版权归苏州上野机电设备有限公司所有苏ICP备16035515号 技术支持:易动力网络