全国服务热线: 0512-6605 1469
首页产品资讯
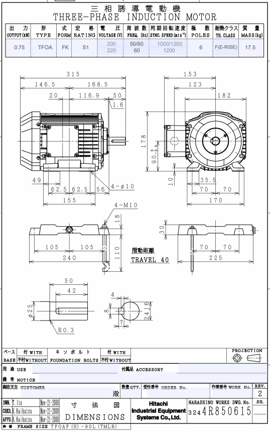
日本原装进口日立电机:TFOA-FK-0.75KW-6P-200V-50/60HZ
发布时间:2023-05-09 14:24:46 点击次数:1047

日本原装进口日立电机:TFOA-FK-0.75KW-6P-200V-50/60HZ


苏州上野公司品牌负责人联系电话:17895046997  刘先生   同微信


微信图片_20230423170336.png



品牌日立
种类低圧モーター
型式TFOA-FK
出力0.75KW  
极数6P
电压200V
50/60Hz
通用脚安装(横)型
其他情:全外扇室外格 IE1
枠番:90L
其他厂商相同格品
三菱:SF-JRO
東芝:IKK-FBKAW21

image.png


image.png





  • 热线电话:0512-8781 4269 分机号:802
  • :1789-5046-997 1889-6984-864
  • :0512-6605 1469
  • :0512-6605 1489
  • 联系人:刘工
  • :2461896109@qq.com
  • :www.mekasys.cn
  • :苏州市吴中区南湖路71号天贸大厦509室
  • 微信二维码 微信二维码
  • 官网二维码 官网二维码

版权归苏州上野机电设备有限公司所有苏ICP备16035515号 技术支持:易动力网络