【 微信扫码咨询 】
日本耐腐蚀性耐水性的HAMMER-CASTER不锈钢脚轮:320S-UB75
苏州上野公司品牌负责人联系电话:17895046997 刘先生 同微信

耐腐蚀性·耐水性出色的旋转式螺纹全不锈钢脚轮。
特点:
·420A·413A50~75mm的全不锈钢型。
·可根据用途选择车轮的材质及车径、制动器有无。
·在旋转部上下两段组装有不锈钢球。
·对载荷的抵抗力大,转弯也顺畅。
用途:
・最适合在食品工厂、店铺以及事务所等生锈和腐蚀的环境中使用的台车和机器等。
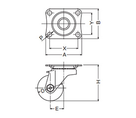
| 車輪特性 | 耐磨耗性 / 耐ガソリン / 耐油性(機械油) | 許容荷重 1個(daN) | 80 |
|---|---|---|---|
| 荷重区分 | 軽荷重 | キャスタタイプ | 平付けプレート旋回式 |
| 車輪材質 | ウレタン | 取付高 H もしくは H1,H2(mm) | 93 |
| 車輪径 D(φ) | 75 | 取付座A プレート長さ)(mm) | 70 |
| 取付座B (プレート幅)(mm) | 58 | 取付穴ピッチ 長手方向(X)(mm) | 55 |
| 取付穴ピッチ 短手方向(Y)(mm) | 42 | ストッパ | なし |
| 荷重範囲(daN) | 35.01~80.00 | 旋回半径(mm) | 67 |
| 金具材質 | ステンレス | 種類 | キャスタ |
| 取付穴径 P(mm) | 8.8 | 偏心 E もしくは E1,E2(mm) | 28.0 |
| (金具・本体)処理 仕上 | オールステンレス | 旋回式/固定式 | 旋回式 |
| 品番 | S | 車種 | UB |
| 車輪幅(mm) | 27 | 車輪構成 | ナイロンホイール熱可塑性ウレタン巻車輪 ローラーベアリング入 |
| 品番・品種 | 車輪径 Dmm | 取付高 Hmm | 取付座 A×Bmm | 取付寸法 X×Ymm | 取付穴径 Pmm | 偏心 Emm | 旋回半径 mm |
|---|---|---|---|---|---|---|---|
| 320S | 50 | 70 | 70×58 | 55×42 | 8.8 | 26.0 | 52 |
| 65 | 85 | 70×58 | 55×42 | 8.8 | 29.0 | 63 | |
| 75 | 93 | 70×58 | 55×42 | 8.8 | 28.0 | 67 | |
| 315S | 50 | 70 | 70×58 | 55×42 | 8.8 | 26.0 | 61 |
| 65 | 85 | 70×58 | 55×42 | 8.8 | 29.0 | 71 | |
| 75 | 93 | 70×58 | 55×42 | 8.8 | 28.0 | 68 |
| 商品記号 | 許容荷重 1個(daN) | 車輪構成 | 車輪記号 | 車輪幅 (mm) | |||
|---|---|---|---|---|---|---|---|
| 品番・品種 | 車種 | 車輪径(mm) | |||||
| 320S 315S | -RD | 50 | 50 | ゴム一体車輪 樹脂ブッシュ入 | 427S-RD | 50 | 26 |
| 320S 315S | -R | 65 | 50 | ゴム一体車輪 樹脂ブッシュ入 | 425S-R | 65 | 26 |
| 75 | 60 | 75 | 26 | ||||
| 320S 315S | -N | 50 | 60 | ナイロン一体車輪 | 429S-N | 50 | 25 |
| 320S 315S | -N | 65 | 70 | ナイロン一体車輪 | 429G-N | 65 | 25 |
| 75 | 80 | 75 | 25 | ||||
| 320S 315S | -NRB | 50 | 60 | ナイロン一体車輪 ローラーベアリング入 ※ステンレス専用車輪 | 429S0S-NRB | 50 | 25 |
| 320S 315S | -NRB | 65 | 70 | ナイロン一体車輪 ローラーベアリング入 ※ステンレス専用車輪 | 429S0S-NRB | 65 | 25 |
| 75 | 80 | 75 | 25 | ||||
| 320S 315S | -UB | 50 | 60 | ナイロンホイール 熱可塑性ウレタン巻車輪 ローラーベアリング入 ※ステンレス専用車輪 | 439S0S-UB | 50 | 25 |
| 320S 315S | -UB | 65 | 70 | ナイロンホイール 熱可塑性ウレタン巻車輪 ローラーベアリング入 ※ステンレス専用車輪 | 439S0S-UB | 65 | 27 |
| 75 | 80 | 75 | 27 | ||||
| 320S 315S | -PH | 50 | 70 | フェノール一体車輪 樹脂ブッシュ入 | 428S-PH | 50 | 25 |
| 65 | 70 | 65 | 27 | ||||
| 75 | 80 | 75 | 27 | ||||


苏州上野机电设备有限公司销售型号:
315S-N50 HAMMER-CASTER----苏州上野
315S-N65 HAMMER-CASTER----苏州上野
315S-N75 HAMMER-CASTER----苏州上野
315S-NRB50 HAMMER-CASTER----苏州上野
315S-NRB65 HAMMER-CASTER----苏州上野
315S-NRB75 HAMMER-CASTER----苏州上野
315S-PH50 HAMMER-CASTER----苏州上野
315S-PH65 HAMMER-CASTER----苏州上野
315S-PH75 HAMMER-CASTER----苏州上野
315S-R65 HAMMER-CASTER----苏州上野
315S-R75 HAMMER-CASTER----苏州上野
315S-RD50 HAMMER-CASTER----苏州上野
315S-UB50 HAMMER-CASTER----苏州上野
315S-UB65 HAMMER-CASTER----苏州上野
315S-UB75 HAMMER-CASTER----苏州上野
320S-N50 HAMMER-CASTER----苏州上野
320S-N65 HAMMER-CASTER----苏州上野
320S-N75 HAMMER-CASTER----苏州上野
320S-NRB50 HAMMER-CASTER----苏州上野
320S-NRB65 HAMMER-CASTER----苏州上野
320S-NRB75 HAMMER-CASTER----苏州上野
320S-PH50 HAMMER-CASTER----苏州上野
320S-PH65 HAMMER-CASTER----苏州上野
320S-PH75 HAMMER-CASTER----苏州上野
320S-R65 HAMMER-CASTER----苏州上野
320S-R75 HAMMER-CASTER----苏州上野
320S-RD50 HAMMER-CASTER----苏州上野
320S-UB50 HAMMER-CASTER----苏州上野
320S-UB65 HAMMER-CASTER----苏州上野
320S-UB75 HAMMER-CASTER----苏州上野