【 微信扫码咨询 】
日本耐油性耐溶剂性耐药品性的uchimura内村万向脚轮型号:No.107-NS
苏州上野机电设备有限公司询价咨询电话:17895046997 刘先生 同微信

特点:
●旋转半径为制动器ON、OFF的最大值。弹性板从制止板伸出时为其数值。
●与合成橡胶车轮相比,即使放置较长时间,车轮也不易变形,与钢铁车轮相比,不会对地板造成损伤。
●耐磨损性好,有自润滑性,而且耐冲击性也很好。
●耐油性、耐溶剂性、耐药品性优异。
●聚酰胺树脂(尼龙6)为UL规格(94V-2)规格。

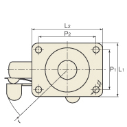
| 車輪特性 | 耐磨耗性 / 耐ガソリン(軽油含む) / 耐油性 / 耐薬品性 | 許容荷重(daN) | 186.2 |
|---|---|---|---|
| キャスタタイプ | プレート式自在 | 車輪材質 | ボリアミド樹脂(ナイロン6) |
| 車輪取付高 H(mm) | 123 | 車輪径 D(φ) | 100 |
| 車輪巾 W(mm) | 27 | 寸法(長さ) L2(mm) | 99 |
| 寸法(幅) L1(mm) | 75 | 取付穴ピッチ 長手方向 P2(mm) | 80 |
| 取付穴ピッチ 短手方向 P1(mm) | 56 | ストッパ | 回転ストッパ付 |
| 荷重範囲(daN) | 140.01~220.00 | 旋回半径 r(mm) | 93 |
| 本体材質 | 冷間圧延鋼板(SPCC) | 取付穴種類 | 丸穴 |
| 種類 | キャスタ | 取付穴径 d(mm) | 8.5 |
| 取付座厚 t(mm) | 2.9 | - | - |


苏州上野机电设备有限公司销售型号如下:
No.107ZHBS
No.107ZHB
No.107ZHS
No.106ZHS
No.105ZHS
No.107ZH
No.106ZH
No.105ZH
No.111BS
No.109BS
No.108BS
No.111B
No.109B
No.108B
No.109S
No.109
No.105AF-N
No.106G-NS(M)
No.106G-NS(L)
No.106G-NS(B)
No.105G-NS(M)
No.105G-NS(L)
No.105G-NS(B)
No.106G-N(M)
No.106G-N(L)
No.106G-N(B)
No.105G-N(M)
No.105G-N(L)
No.105G-N(B)
No.107-NS
No.106-NS
No.105-NS
No.107-N
No.106-N
No.105-N
No.105-FE
No.104ZH-PS
No.104ZH-P
No.107JH-PS
No.106JH-PS
No.105JH-PS
No.104JH-PS
No.107JH-P
No.106JH-P
No.105JH-P
No.104JH-P
No.106FH-PS
No.106FH-P
No.102HB2AF-PA
No.102HB2-PA
No.102HB2AF-EP
No.102HB2-EP
No.111PRS
No.111PR
No.109PR