【 微信扫码咨询 】
日本支撑反作用力极易安装的SAKAI酒井联轴器型号:UA-30C-6X12
苏州上野机电设备有限公司询价咨询电话:17895046997 刘先生 同微信

特点 :
・高刚性机身和双螺栓夹紧规格,适用于高精度、高响应性控制
・中心块上十字形配置的销和用轮毂的臂部保持该销的金属自由滑动、旋转,同时吸收偏心和偏角。针脚和金属的间隙数μm和极小,所以可以进行高精度的旋转传递
・没有挠曲材料,通过销和金属部自由滑动、旋转的修正式构造,吸收心偏移时产生的支撑反作用力很微小。另外,扭转刚性为板簧式的1.5~2倍,可提高使用伺服马达、脉冲马达等的自动设备的控制响应性
・由于修正式独特的阻尼性和高扭转刚性,具有难以将驱动部的振动传递给被驱动部的特性,因此对安装设备的振动对策有效
・支撑反作用力极小,安装容易

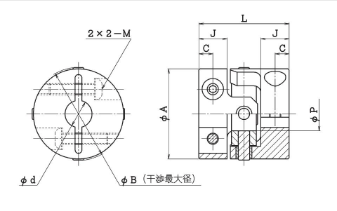
| 型番 | 許容 トルク N・m | 最大トルク N・m | 許容 スラスト 荷重 N | 許容偏心 mm | 許容偏角 ° | 最高回転数 r/min | ねじり 剛性 N・m/rad | 慣性 モーメント kg・m2 | 質量 g | d | A | B | P | L | J | C | M |
|---|---|---|---|---|---|---|---|---|---|---|---|---|---|---|---|---|---|
| UA-15C | 0.25 | 0.5 | 30 | 0.2 | 1 | 6,000 | 0.29×103 | 0.25×10-6 | 9 | 3~5 | 15 | 16 | 4 | 18 | 6 | 3 | M2.5 |
| UA-20C | 0.5 | 1.0 | 60 | 0.2 | 1 | 6,000 | 0.90×103 | 0.90×10-6 | 17 | 4~8 | 20 | 22 | 7 | 20 | 7 | 3.5 | M3 |
| UA-25C | 1.0 | 2.0 | 80 | 0.2 | 1 | 6,000 | 2.00×103 | 2.99×10-6 | 36 | 4~10 | 25 | 27 | 10 | 27 | 9 | 4.5 | M4 |
| UA-30C | 2.0 | 4.0 | 140 | 0.2 | 1 | 6,000 | 3.78×103 | 6.74×10-6 | 57 | 5~14 | 30 | 32 | 10 | 30 | 9.5 | 4.7 | M4 |
| UA-35C | 3.5 | 7.0 | 180 | 0.2 | 1 | 6,000 | 6.34×103 | 1.36×10-5 | 83 | 7~16 | 35 | 37 | 13 | 35 | 11.5 | 5.7 | M5 |
| UA-40C | 5.0 | 10 | 320 | 0.2 | 1 | 6,000 | 1.06×104 | 2.66×10-5 | 123 | 8~20 | 40 | 42 | 15 | 40 | 12.5 | 6.2 | M5 |
| UA-45C | 10 | 20 | 500 | 0.2 | 1 | 6,000 | 1.70×104 | 0.47×10-4 | 178 | 8~22 | 45 | 47 | 16 | 45 | 14 | 7 | M6 |
| UA-55C | 20 | 40 | 850 | 0.2 | 1 | 6,000 | 3.00×104 | 1.35×10-4 | 353 | 10~25 | 55 | 58 | 17 | 58 | 19 | 9.9 | M8 |
| 型番 | d | ||||||||||||||||||||
|---|---|---|---|---|---|---|---|---|---|---|---|---|---|---|---|---|---|---|---|---|---|
| 3 | 4 | 5 | 6 | 6.35 | 7 | 8 | 9.525 | 10 | 11 | 12 | 14 | 15 | 16 | 17 | 18 | 19 | 20 | 22 | 24 | 25 | |
| UA-15C | ● | ○ | ○ | ||||||||||||||||||
| UA-20C | ● | ● | ● | ● | ○ | ○ | |||||||||||||||
| UA-25C | ● | ● | ● | ● | ● | ● | ○ | ○ | |||||||||||||
| UA-30C | ● | ● | ● | ● | ● | ○ | ○ | ○ | ○ | ○ | |||||||||||
| UA-35C | ● | ● | ● | ● | ● | ● | ○ | ○ | ○ | ||||||||||||
| UA-40C | ● | ● | ● | ● | ● | ● | ○ | ○ | ○ | ○ | ○ | ○ | |||||||||
| UA-45C | ● | ● | ● | ● | ● | ● | ● | ○ | ○ | ○ | ○ | ○ | ○ | ||||||||
| UA-55C | ● | ● | ● | ● | ● | ● | ○ | ○ | ○ | ○ | ○ | ○ | ○ | ||||||||
UA-55Cは準標準品(納期確認品)。
許容トルクは回転数が1500r/minの場合を表す。
最大トルクは起動時およびブレーキ時に瞬間的に伝達できるトルク。
許容スラスト荷重は負荷トルクをゼロとした場合の静的許容荷重を表す。
取付軸はJ寸法まで確実に挿入する。ただし非貫通穴径の場合は、取付軸の挿入寸法をJ寸法より飛び出さないようにする。
慣性モーメント、質量は軸穴径が最大の場合を表す。
●印は軸が貫通できる穴径を表す。(◯印は非貫通穴径)
推奨軸公差はh6。


苏州上野机电设备有限公司销售型号:
UA-15C-3X3
UA-15C-3X4
UA-15C-3X5
UA-15C-4X4
UA-15C-4X5
UA-15C-5X5
UA-20C-4X4
UA-20C-4X5
UA-20C-4X6
UA-20C-4X7
UA-20C-4X8
UA-20C-5X5
UA-20C-5X6
UA-20C-5X7
UA-20C-5X8
UA-20C-6X6
UA-20C-6X7
UA-20C-6X8
UA-20C-7X7
UA-20C-7X8
UA-20C-8X8
UA-25C-5X5
UA-25C-5X6
UA-25C-5X6.35
UA-25C-5X7
UA-25C-5X8
UA-25C-5X9.525
UA-25C-5X10
UA-25C-6X6
UA-25C-6X6.35
UA-25C-6X7
UA-25C-6X8
UA-25C-6X9.525
UA-25C-6X10
UA-25C-6.35X6.35
UA-25C-6.35X7
UA-25C-6.35X8
UA-25C-6.35X9.525
UA-25C-6.35X10
UA-25C-7X7
UA-25C-7X8
UA-25C-7X9.525
UA-25C-7X10
UA-25C-8X8
UA-25C-8X9.525
UA-25C-8X10
UA-25C-9.525X9.525
UA-25C-9.525X10
UA-25C-10X10
UA-30C-6X6
UA-30C-6X7
UA-30C-6X8
UA-30C-6X10
UA-30C-6X11
UA-30C-6X12
UA-30C-6X14
UA-30C-7X7
UA-30C-7X8
UA-30C-7X10
UA-30C-7X11
UA-30C-7X12
UA-30C-7X14
UA-30C-8X8
UA-30C-8X10
UA-30C-8X11
UA-30C-8X12
UA-30C-8X14
UA-30C-10X10
UA-30C-10X11
UA-30C-10X12
UA-30C-10X14
UA-30C-11X11
UA-30C-11X12
UA-30C-11X14
UA-30C-12X12
UA-30C-12X14
UA-30C-14X14
UA-35C-8X8
UA-35C-8X10
UA-35C-8X11
UA-35C-8X12
UA-35C-8X14
UA-35C-8X15
UA-35C-8X16
UA-35C-10X10
UA-35C-10X11
UA-35C-10X12
UA-35C-10X15
UA-35C-10X16
UA-35C-11X11
UA-35C-11X12
UA-35C-11X14
UA-35C-11X15
UA-35C-11X16
UA-35C-12X12
UA-35C-12X14
UA-35C-12X15
UA-35C-12X16
UA-35C-14X14
UA-35C-14X15
UA-35C-14X16
UA-35C-15X15
UA-35C-15X16
UA-35C-16X16
UA-40C-8X8
UA-40C-8X10
UA-40C-8X11
UA-40C-8X12
UA-40C-8X14
UA-40C-8X15
UA-40C-8X16
UA-40C-8X19
UA-40C-8X20
UA-40C-10X10
UA-40C-10X11
UA-40C-10X12
UA-40C-10X14
UA-40C-10X15
UA-40C-10X16
UA-40C-10X19
UA-40C-10X20
UA-40C-11X11
UA-40C-11X12
UA-40C-11X14
UA-40C-11X15
UA-40C-11X16
UA-40C-11X19
UA-40C-11X20
UA-40C-12X12
UA-40C-12X14
UA-40C-12X15
UA-40C-12X16
UA-40C-12X20
UA-40C-14X14
UA-40C-14X15
UA-40C-14X16
UA-40C-14X19
UA-40C-14X20
UA-40C-15X15
UA-40C-15X16
UA-40C-15X19
UA-40C-15X20
UA-40C-16X16
UA-40C-16X19
UA-40C-16X20
UA-40C-19X19
UA-40C-19X20
UA-40C-20X20