【 微信扫码咨询 】
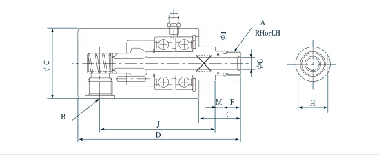
日本SHOWA-SGK昭和技研旋转接头:SXO-090LH 紧凑高压下使用
苏州上野机电设备有限公司询价咨询电话:178950469997 刘先生 同微信

特点:
重量轻、紧凑、操作方便。 可在高压、高转速区域使用。 根据用途,可以选择标准密封件或高级密封件。 高级密封件是应对高负荷的密封件。 ※也可制作干燥空气对应产品。

| 種類 | 単式 | 使用流体 | 水 / 油 |
|---|---|---|---|
| 最高使用温度(℃) | 120 | 最高使用圧力(MPa) | 6.9 |
| 最高使用回転数(r.p.m) | 10000 | 接続種類 | ネジ取付式 |
| 接続ねじの種類 供給側(単式、スイベル) | NPT | 接続ねじの種類 排出側(単式、スイベル) | M |
| 接続ねじの呼び 供給側(単式、スイベル) | [3/8B] 3/8 | 接続ねじの呼び 排出側(単式、スイベル) | M16x1.5 |
| 取付ネジ方向 | LH(左ネジ) | シールタイプ | スタンダート |
| 全長 | 103 | - | - |

| 使用流体 | 切削油・水・油 |
|---|---|
| 最高温度 | 120℃ |
| 最高圧力 | 6.9MPa{70kgf/cm2} |
| 最高回転数 | 10,000min-1{r.p.m} |


| 使用流体 | 切削油・水・油 |
|---|---|
| 最高温度 | 120℃ |
| 最高圧力 | 6.9MPa{70kgf/cm2} |
| 最高回転数 | 10,000min-1{r.p.m} |

1.最高使用圧力条件においては最高回転数で使用することは避けて下さい。
2.空運転(流体を通さないで)は避けて下さい。
3.切削油供給ラインにはフィルターを設置して下さい。

苏州上野机电设备有限公司销售型号:
SXO-090-1LH
SXO-090-1RH
SXO-090LH
SXO-090RH
SXO-091-1LH
SXO-091-1RH
SXO-091-2LH
SXO-091-2RH
SXO-091-3LH
SXO-091-3RH
SXO-091LH
SXO-091RH
SXO-092-1LH
SXO-092-1RH
SXO-092LH
SXO-092RH
SXO-098-1LH
SXO-098-1RH
SXO-098LH
SXO-098RH