【 微信扫码咨询 】
耐磨防噪音的KURASHIKI KAKO仓敷化工防振橡胶:RI-25HD
苏州上野机电设备有限公司询价咨询电话:17895046997 刘先生 同微信

性能特点 :
1 .有效缓解较大冲击力 接触时柔软,弹簧常数随着挠曲值增大,可以顺利吸收、缓和大的冲击力。
2 .防止噪音的产生 能够承受大的负荷变形,且几乎没有磨损。 另外,接触时不会发出噪音。
3 .高阻尼性能 RI型可以选择天然橡胶和高阻尼橡胶两种橡胶材料。 通过选择高衰减橡胶HD型,实现了高衰减性能,吸收了振动和碰撞的能量,显示出了更优异的防振、缓冲性能。
4 .安装简单 安装非常简单,不需要维护。
具有高冲击缓和性的挡块。
特长: 缓和较大的冲击力,减轻接触时的噪音。
接触时附近柔软,弹簧常数随着挠曲值增大,可以顺利吸收、缓和大的冲击力。
能够承受大的负荷变形,且几乎没有磨损。
另外,接触时不会发出噪音。
RI型可以选择天然橡胶和高阻尼橡胶两种橡胶材料。
通过选择高衰减橡胶HD型,实现了高衰减性能,吸收了振动和碰撞的能量,显示出了更优异的防振、缓冲性能。
安装非常简单,不需要维护。
用途: 可用于台车、门等的挡块。

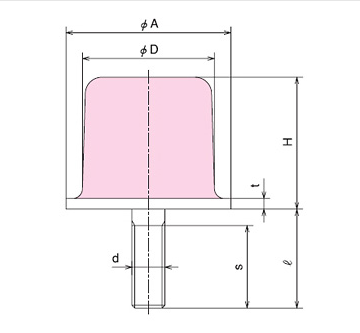
| 種類 | [緩衝用ストッパ] 緩衝用ストッパ | 材質 | [ゴム] 高減衰ゴム |
|---|---|---|---|
| 接続形状 | 片端おねじ | 接続ねじ M | M6 |
| 高さH・厚さT(mm) | 25 | 硬度(ショアA) | 60 |
| 色 | 黒 | 使用用途 | クッション/防振/除振 |
| 特性 | 標準 | 外形 A(mm) | - |
| 外径 D(φ) | 25 | 使用雰囲気温度(℃) | ~50 |
| 防振ゴムの種類 | その他 | RoHS | 10 |


苏州上野机电设备有限公司销售型号:
KI-30
KI-40
KI-50
KI-60
KI-80
KI-100
苏州上野机电设备有限公司销售型号:
RI-25HD
RI-30HD
RI-45HD
RI-65HD
苏州上野机电设备有限公司销售型号:
RI-25
RI-30
RI-45
RI-65