【 微信扫码咨询 】
日本Freebear顶模器AFU-5050W-9 现货 现货 现货
气动滚珠举模器是由高精度万向滚珠和气缸组合而成,安装在工作台上,通过气体将模具举起,
在360°的水平方向上移动和旋转,是一款既省力又经济的举模器。
夹具、模具、工件要求准确顺畅地输送。
freebear 使用气浮式万向球单元,1吨的输送物只需0.2~0.3KN(20~30Kgf)的力, 就可360°随心所欲地输送。
还可在短时间内完成定位。 不仅如此,由于使用的是空气,可保持洁净的作业环境。

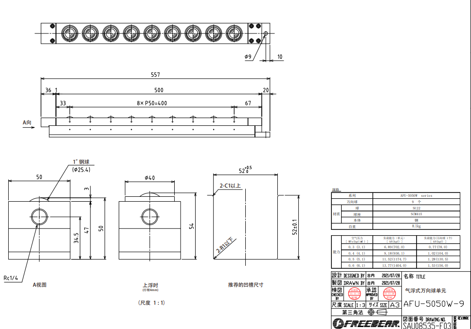
方槽插入型FREEBEAR福力百亚气浮式举模器型号:AFU-5050W-9 现货 现货 现货
苏州上野机电设备有限公司询价咨询电话:17895046997 刘先生 同微信

特点及性能:
方槽插入型万向球单元 AFU-5050W系列
通过供给压缩空气,内置于各活塞中的万向球就会同时上升。
设置时,通过对设备台面进行方槽加工,就可进行夹具、模具、工件的输送和定位。
(通过模具自重或强制排气下降)










