【 微信扫码咨询 】
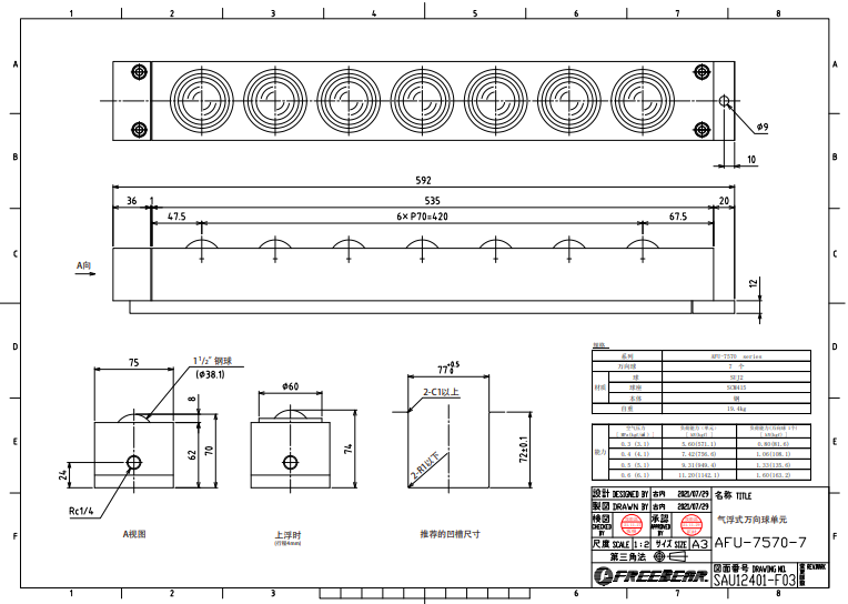
日本原装进口FREEBEAR福力百亚气浮式举模器型号:AFU-7570-7
苏州上野机电设备有限公司询价咨询电话:17895046997 刘先生 同微信

性能及特点:
方槽插入型万向球单元AFU-7570
通过供给压缩空气,内置于各活塞中的万向球就会同时上升。
设置时,通过对设备台面进行方槽加工,就可进行夹具、模具、工件的输送和定位。
(通过模具自重或强制排气下降)








苏州上野机电设备有限公司销售型号:
(UENO) FREEBEAR福力百亚气浮式举模器 AFU-7570-1
(UENO) FREEBEAR福力百亚气浮式举模器 AFU-7570-2
(UENO) FREEBEAR福力百亚气浮式举模器 AFU-7570-3
(UENO) FREEBEAR福力百亚气浮式举模器 AFU-7570-4
(UENO) FREEBEAR福力百亚气浮式举模器 AFU-7570-5
(UENO) FREEBEAR福力百亚气浮式举模器 AFU-7570-6
(UENO) FREEBEAR福力百亚气浮式举模器 AFU-7570-7

