【 微信扫码咨询 】
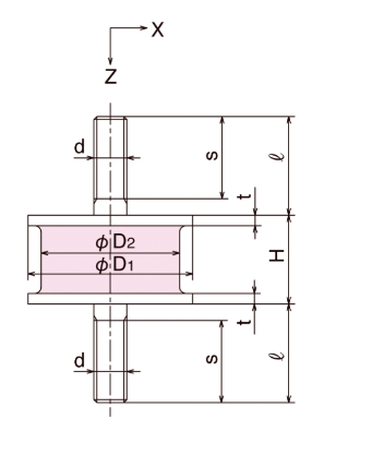
KURAKA仓敷化工防振橡胶型号:KA-50-40HCR(外径40mm,内径50mm)
苏州上野机电设备有限公司询价咨询电话:17895046997 刘先生 同微信

性能和特点
1.结构简单,价格低廉
结构简单,易于安装。
2.占用安装空间小
外形小巧,却可得到较大的弹性系数,可支撑大荷载。
3.可适用各种支撑方法
根据安装方向,除压缩方向、剪切方向外,还可用于倾斜方向,具有广泛的适用性。
4.材质为氯丁橡胶
耐候性好,有轻度的耐油性。




苏州上野机电设备有限公司销售型号:
仓敷化工 UENO KA-10CR
仓敷化工 UENO KA-12CR
仓敷化工 UENO KA-15CR
仓敷化工 UENO KA-20CR
仓敷化工 UENO KA-20-20HCR
仓敷化工 UENO KA-25CR
仓敷化工 UENO KA-25-27HCR
仓敷化工 UENO KA-30CR
仓敷化工 UENO KA-30-26HCR
仓敷化工 UENO KA-35CR
仓敷化工 UENO KA-35-35HCR
仓敷化工 UENO KA-40CR
仓敷化工 UENO KA-40-33HCR
仓敷化工 UENO KA-45CR
仓敷化工 UENO KA-45-45HCR
仓敷化工 UENO KA-50CR
仓敷化工 UENO KA-50-40HCR
