【 微信扫码咨询 】
全螺纹安装自由度很高的KURASHIKI KAKO仓敷化工橡胶弹簧型号:KHA-90
苏州上野机电设备有限公司询价咨询电话:17895046997 刘先生 同微信

性能和特点:
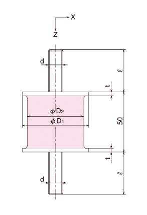
1.由于高度固定,即使支撑负荷不同,设计和施工也很容易。
2.螺栓直径固定 (KHA -100除外) ,而且是全螺纹,安装的自由度很高。
3.弹性常数的静动比低,具有高防振性能。
4.形状简洁,结构简单,安装方便,经济性好。
主要用途:
・地面防振等建筑防振用
・机器防振等一般防振用



KHA型产品配有2个六角螺母和2个弹簧垫圈;KHB型产品则配有1个六角螺母和1个弹簧垫圈。
这些产品的橡胶材质采用天然橡胶配方制成。

苏州上野机电设备有限公司销售型号:
苏州上野公司 KHA-55
苏州上野公司 KHA-65
苏州上野公司 KHA-80
苏州上野公司 KHA-90
苏州上野公司 KHA-100
