【 微信扫码咨询 】
内置抗震缓冲装置KURASHIKI KAKO仓敷化工橡胶弹簧型号:SB-60
苏州上野机电设备有限公司询价咨询电话:17895046997 刘先生 同微信

性能与特点
1. 无需使用抗震缓冲器。
通过减少零部件的数量以及安装所需的工时,可以实现成本降低。
2. 简单且紧凑。
这样可以节省取放物品所需的空间。
3. 设计中使用的水平震度约为1.5。
该产品符合A级抗震标准。(《建筑设备抗震设计与施工指南》
)<抗震强度会受到设备重心位置及安装间距的影响,请务必事先确认相关参数。>
主要用途
・变压器
・配电盘
・不间断电源装置
・管道支撑结构
・空调设备
※请注意:该产品不可用于发动机、压缩机等振动幅度较大的设备。





橡胶材质采用天然橡胶制成。
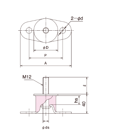
每个产品均配有1个六角螺母和1个弹簧垫圈。

苏州上野机电设备有限公司销售型号:
SB-50
SB-60
SB-80
SB-50
SB-60
SB-80
SB-50
SB-60
SB-80
SB-50
SB-60
SB-80
SB-50
SB-60
SB-80
