【 微信扫码咨询 】
耐化学药品性好的KURASHIKI KAKO仓敷化工橡胶弹簧型号:KR85-100
苏州上野机电设备有限公司询价咨询电话:17895046997 刘先生 同微信

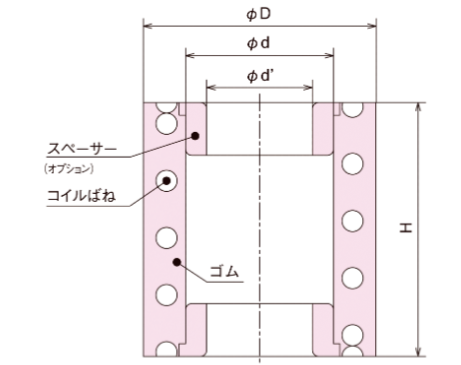
橡胶和螺旋弹簧组合的复合弹簧
防振橡胶是一种结合了橡胶和螺旋弹簧的复合弹簧,它提供了比一般防震橡胶更柔软的弹簧常数。它可以很容易地融入到振动机械中,其特性介于空气弹簧和防震橡胶之间。
性能和特点:
1.卓越的防震性能
通过橡胶和螺旋弹簧组合的圆筒形复合弹簧的构造,可得到柔软的弹簧,挠度较大。
2.大承载能力
金属弹簧和特殊合成橡胶复合弹簧,无需屈曲即可实现高负荷负载性能。
3.衰减效果大
使用具有高损耗系数的特殊合成橡胶,具有良好的共振振幅降低效果。
4.隔音缓冲效果优异
单独使用金属弹簧时无喘振现象,无噪音。另外,特殊构造的冲击吸收性能也很优秀。
5.耐用性,耐化学药品性好
由于是通过高度的形状设计技术以及配合技术完成的,因此在使用中的机械劣化以及氧气、臭氧、药品等的化学劣化方面也非常出色。
6.易于安装
将安装导轨放在防振橡胶内径上,然后将机器放在上面即可安装。如果内径太大,请使用垫片。我们单独接受。
主要用途:
・振动筛
・振动输送机
・零件送料器





苏州上野机电设备有限公司销售型号:
仓敷化工 UENO KR54-35
仓敷化工 UENO KR65-80
仓敷化工 UENO KR70-40
仓敷化工 UENO KR70-65
仓敷化工 UENO KR85-90
仓敷化工 UENO KR85-100
仓敷化工 UENO KR85-125
仓敷化工 UENO KR90-100
仓敷化工 UENO KR90-150
仓敷化工 UENO KR120-60
仓敷化工 UENO KR120-90
仓敷化工 UENO KR133-100
仓敷化工 UENO KR133-125
仓敷化工 UENO KR133-150
仓敷化工 UENO KR155-150
仓敷化工 UENO KR155-200
仓敷化工 UENO KR155-250-155H
仓敷化工 UENO KR155-300-155H
仓敷化工 UENO KR155-360-155H
仓敷化工 UENO KR170-450
仓敷化工 UENO KR200-200
仓敷化工 UENO KR200-240
仓敷化工 UENO KR200-285
仓敷化工 UENO KR240-300
仓敷化工 UENO KR240-400
仓敷化工 UENO KR133S (需配套使用)
仓敷化工 UENO KR155S (需配套使用)
仓敷化工 UENO KR200S (需配套使用)
仓敷化工 UENO KR240S (需配套使用)
