【 微信扫码咨询 】
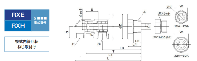
采用了浮动式密封圈SGK昭和技研旋转接头型号:RXH5020LH
苏州上野机电设备有限公司询价咨询电话:17895046997 刘先生 同微信

性能及特点:
由于采用了浮动式密封圈,因此旋转体的密封面能够更好地与密封圈紧密贴合,从而保证了稳定的密封性能。
由于扭矩较低,因此在大多数情况下无需采取任何措施来防止套管发生旋转。(RXK型号除外。)
※RXE和RXH型号提供不锈钢材质版本。
采用不锈钢材质的型号中,所有与流体接触的金属部件均由不锈钢制成。推荐产品
※也可以生产适用于干衣机的产品。







苏州上野机电设备有限公司销售型号:
RXH5015LH 苏州上野公司 SGK旋转接头
RXH5015RH 苏州上野公司 SGK旋转接头
RXH5020LH 苏州上野公司 SGK旋转接头
RXH5020RH 苏州上野公司 SGK旋转接头
RXH5025LH 苏州上野公司 SGK旋转接头
RXH5025RH 苏州上野公司 SGK旋转接头
RXH5032LH 苏州上野公司 SGK旋转接头
RXH5032RH 苏州上野公司 SGK旋转接头
RXH5040LH 苏州上野公司 SGK旋转接头
RXH5040RH 苏州上野公司 SGK旋转接头
RXH5115LH 苏州上野公司 SGK旋转接头
RXH5115RH 苏州上野公司 SGK旋转接头
RXH5120LH 苏州上野公司 SGK旋转接头
RXH5120RH 苏州上野公司 SGK旋转接头
RXH5125LH 苏州上野公司 SGK旋转接头
RXH5125RH 苏州上野公司 SGK旋转接头
RXH5132LH 苏州上野公司 SGK旋转接头
RXH5132RH 苏州上野公司 SGK旋转接头
RXH5140LH 苏州上野公司 SGK旋转接头
RXH5140RH 苏州上野公司 SGK旋转接头
RXH5215LH 苏州上野公司 SGK旋转接头
RXH5215RH 苏州上野公司 SGK旋转接头
RXH5220LH 苏州上野公司 SGK旋转接头
RXH5220RH 苏州上野公司 SGK旋转接头
RXH5225LH 苏州上野公司 SGK旋转接头
RXH5225RH 苏州上野公司 SGK旋转接头
RXH5232LH 苏州上野公司 SGK旋转接头
RXH5232RH 苏州上野公司 SGK旋转接头
RXH5240LH 苏州上野公司 SGK旋转接头
RXH5240RH 苏州上野公司 SGK旋转接头
