【 微信扫码咨询 】
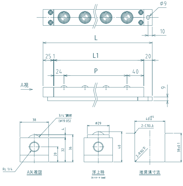
日本原装进口FREEBEAR福利百亚举模器型号:AFU-3836-9
苏州上野机电设备有限公司询价咨询电话:17895046997 刘先生 同微信

空气浮升式自由轴承单元。
特点:
通过供应压缩空气,内置自由轴承的各活塞同步上升。
通过在机械床身设置时进行角沟加工,可实现治具、模具及工件的搬运与定位。
通过模具自重或强制排气下降。
用途:
适用于重物搬运、组装作业台(定位)、加工机床治具更换等作业。




苏州上野机电设备有限公司销售型号:
FREEBEAR举模器 UENO AFU-3836-1
FREEBEAR举模器 UENO AFU-3836-2
FREEBEAR举模器 UENO AFU-3836-3
FREEBEAR举模器 UENO AFU-3836-4
FREEBEAR举模器 UENO AFU-3836-5
FREEBEAR举模器 UENO AFU-3836-6
FREEBEAR举模器 UENO AFU-3836-7
FREEBEAR举模器 UENO AFU-3836-8
FREEBEAR举模器 UENO AFU-3836-9
FREEBEAR举模器 UENO AFU-3836-10
FREEBEAR举模器 UENO AFU-3836-11
FREEBEAR举模器 UENO AFU-3836-12
FREEBEAR举模器 UENO AFU-3836-13
FREEBEAR举模器 UENO AFU-3836-14
FREEBEAR举模器 UENO AFU-3836-15
FREEBEAR举模器 UENO AFU-3836-16
FREEBEAR举模器 UENO AFU-3836-17
FREEBEAR举模器 UENO AFU-3836-18
