【 微信扫码咨询 】
具有抗腐蚀性能的KURASHIKI KAKO仓敷化工橡胶弹簧型号:KA-25-27HSUS
苏州上野机电设备有限公司询价咨询电话:17895046997 刘先生 同微信

【特点】 结构简单,安装方便。
体积小巧,但具有较大的弹簧刚度,因此能够承受较大的载荷。
根据安装方向的不同,不仅可以用于压缩方向和剪切方向,还可以用于倾斜方向,应用范围非常广泛。
【用途】 适用于泵、风机、发动机、发电机、电动机、压缩机等领域。



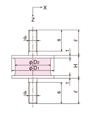
包括两个 SUS 六角螺母和两个弹簧垫圈。
橡胶材质采用天然橡胶配方硬度为60。

苏州上野机电设备有限公司销售型号:
KA-12SUS 苏州上野公司(仓敷化工橡胶弹簧)
KA-15SUS15 苏州上野公司(仓敷化工橡胶弹簧)
KA-20SUS20 苏州上野公司(仓敷化工橡胶弹簧)
KA-20-20HSUS苏州上野公司(仓敷化工橡胶弹簧)
KA-25SUS25 苏州上野公司(仓敷化工橡胶弹簧)
KA-25-27HSUS苏州上野公司(仓敷化工橡胶弹簧)
KA-30SUS30 苏州上野公司(仓敷化工橡胶弹簧)
KA-30-26HSUS苏州上野公司(仓敷化工橡胶弹簧)
KA-35SUS35 苏州上野公司(仓敷化工橡胶弹簧)
KA-35-35HSUS苏州上野公司(仓敷化工橡胶弹簧)
KA-40SUS40 苏州上野公司(仓敷化工橡胶弹簧)
KA-40-33HSUS苏州上野公司(仓敷化工橡胶弹簧)
KA-50SUS50 苏州上野公司(仓敷化工橡胶弹簧)
KA-50-40HSUS苏州上野公司(仓敷化工橡胶弹簧)
